Whirlpool

Плати керування холодильниками Whirlpool

← Повернутися до списку плат

Плати керування для холодильників Whirlpool. Плати не є повною копією та може відрізнятись від оригінальної по алгоритму роботи, aле забезпечює повноцінну роботу холодильника. Плати, які мають підключення до індикації можуть бути як з блютузом так і без нього.


1.Whirlpool ARC4020 ARC4030

загальний вигляд


display

Звукове сповіщення

• через 100 секунд, якщо не зачинили двері
зачинити двері для припинення звукового сигналу або натиснути RESET

• Через 4 години подвійний звуковий сигнал кожні 15 секунд, якщо температура в морозилці не стала нижче мінус 8 градусів
відчинити - зачинити двері для припинення звукового сигналу або натиснути RESET (відлік 4 годин піде спочатку)


застосунок для майстра та важлива інформація

для майстра

Використовуйте будь-який блютуз термінал. Наприклад Serial Bluetooth Terminal на Play Market. Тут можна побачити повну картину роботи холодильника, а також робити налаштування та деякі зміни.

Перша відтайка почнеться через 120 хвилин після переходу датчика відтайки в положення "On", наступні відтайки кожні 600 хвилин. Завершення активної фази відтайки при перемиканні датчика відтайки в "Off", але не більше 40 хвилин.
Прошито під датчик Whirlpool 10к.

КомандаОпис
80Вкл/Викл звук
51 .. 59Змінити мінимальну паузу між вмиканнями компресора від 1 до 9 хвилин, а також це буде часом краплепадіння після відтайки
195 .. 205Виправити похибку датчика об'єму морозильної камери -5 .. +5
73Примусова відтайка. Почнеться при положенні датчика відтайки в "On".





2.Whirlpool ARC4010

загальний вигляд

Застосунки для телефона


Версія для клієнта

для клієнта

Можна встановити клієнту додаток керування температурою на телефон з ОС Android. Цей додаток призначений саме для клієнтів, тут немає нічого зайвого.

Важливо!
Плата холодильника може бути одночасно під'єднана тільки до одного пристрою/застосунку.


Версія для майстра та важлива інформація

для майстра

Використовуйте будь-який блютуз термінал. Наприклад Serial Bluetooth Terminal на Play Market. Тут можна побачити повну картину роботи холодильника, а також робити налаштування та деякі зміни.

Перша відтайка почнеться через 120 хвилин після переходу датчика відтайки в положення "On", наступні відтайки кожні 600 хвилин. Завершення активної фази відтайки при перемиканні датчика відтайки в "Off", але не більше 40 хвилин.
Прошито під датчик Whirlpool 10к.

Важливо!
В цій платі не задіяна велика кнопка, що знаходиться на панелі між холодильним та морозильним відділенням. Температуру в морозильній камері можна встановлювати тільки через блютуз.

КомандаОпис
15 .. 25Встановлення температури в морозильній камері -15 .. -25
51 .. 59Змінити мінимальну паузу між вмиканнями компресора
195 .. 205Виправити похибку датчика
73Примусова відтайка
76Скинути лічильник до відтайки. Відлік до відтайки почнеться з початку.





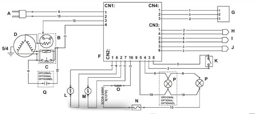
3.Whirlpool ARC

загальний вигляд

display
блок схема

Звукове сповіщення

• через 100 секунд, якщо не зачинили двері
зачинити двері для припинення звукового сигналу або натиснути RESET

• Через 4 години подвійний звуковий сигнал кожні 15 секунд, якщо температура в морозилці не стала нижче мінус 8 градусів
відчинити - зачинити двері для припинення звукового сигналу або натиснути RESET (відлік 4 годин піде спочатку)


Версія для майстра та важлива інформація

для майстра

Використовуйте будь-який блютуз термінал. Наприклад Serial Bluetooth Terminal на Play Market. Тут можна побачити повну картину роботи холодильника, а також робити налаштування та деякі зміни.

Перша відтайка почнеться через 120 хвилин після досягнення +2 градусів на випарнику, наступні відтайки кожні 600 хвилин. Завершення активної фази відтайки +10, але не більше 40 хвилин.
Прошито під датчик Whirlpool 2,7к.

КомандаОпис
15 .. 25Встановлення температури в морозильній камері -15 .. -25. Ця команда доступна при програмно вимкненому модулю індикації
30Вкл/Викл модуль індикації програмно
80Вкл/Викл звук
51 .. 59Змінити мінимальну паузу між вмиканнями компресора від 1 до 9 хвилин, а також це буде часом краплепадіння після відтайки
195 .. 205Виправити похибку датчика об'єму морозильної камери -5 .. +5
305 .. 320 Змінити температуру закінчення відтайки +5 .. +20
73 Примусова відтайка. Почнеться при температурі на випарнику +2 градуса або нижче.
76 Скинути лічильник до відтайки. Відлік до відтайки почнеться з початку.





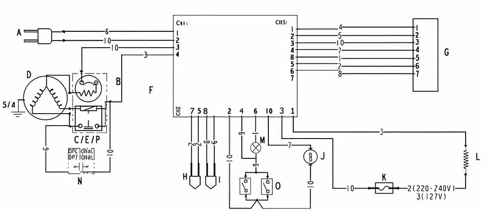
4.Whirlpool ARC4190 та подібні з двома вентиляторами на 24в

загальний вигляд

блок схема

Звукове сповіщення

• через 100 секунд, якщо не зачинили двері, через цей час також погасне світло
зачинити двері для припинення звукового сигналу

• Через 4 години подвійний звуковий сигнал кожні 15 секунд, якщо температура в морозилці не стала нижче мінус 8 градусів, або температура в холодильній камері не стала нижче +15 градусів
відчинити - зачинити двері для припинення звукового сигналу (відлік 4 годин піде спочатку)


Застосунки для телефона


Версія для клієнта

для клієнта

Можна встановити клієнту додаток керування температурою на телефон з ОС Android. Цей додаток призначений саме для клієнтів, тут немає нічого зайвого.

Важливо!
Плата холодильника може бути одночасно під'єднана тільки до одного пристрою/застосунку.


Версія для майстра та важлива інформація

для майстра

Використовуйте будь-який блютуз термінал. Наприклад Serial Bluetooth Terminal на Play Market. Тут можна побачити повну картину роботи холодильника, а також робити налаштування та деякі зміни.

Перша відтайка почнеться через 120 хвилин після досягнення +2 градусів на випарнику, наступні відтайки кожні 600 хвилин. Завершення активної фази відтайки +12, але не більше 40 хвилин.

Прошито під датчик Whirlpool 2,7к.
Вентилятор в морозильній камері вмикається після трьох хвилин після компресора.

Важливо!
Ця плата потребує окремого живлення постійного струму 24в. (150ма плата + 2 вентилятора + запас)

КомандаОпис
1 .. 9 Встановлення температури в холодильній камері +1 .. +9
15 .. 25 Встановлення температури в морозильній камері -15 .. -25
80Вкл/Викл звук
51 .. 59Змінити мінимальну паузу між вмиканнями компресора від 1 до 9 хвилин, а також це буде часом краплепадіння після відтайки
195 .. 205Виправити похибку датчика об'єму холодильної камери -5 .. +5
305 .. 320 Змінити температуру закінчення відтайки +5 .. +20
73 Примусова відтайка. Почнеться при температурі на випарнику +2 градуса або нижче.
76 Скинути лічильник до відтайки. Відлік до відтайки почнеться з початку.





5.Whirlpool ARC6700 та подібні з клапаном та вентилятором в ХК на 24в

загальний вигляд

блок схема
блок схема

Звукове сповіщення

• через 100 секунд, якщо не зачинили двері, через цей час також погасне світло
зачинити двері для припинення звукового сигналу

• Через 4 години подвійний звуковий сигнал кожні 15 секунд, якщо температура в морозилці не стала нижче мінус 8 градусів, або температура в холодильній камері не стала нижче +15 градусів
відчинити - зачинити двері для припинення звукового сигналу (відлік 4 годин піде спочатку)


Застосунки для телефона


Версія для клієнта

для клієнта

Можна встановити клієнту додаток керування температурою на телефон з ОС Android. Цей додаток призначений саме для клієнтів, тут немає нічого зайвого.

Важливо!
Плата холодильника може бути одночасно під'єднана тільки до одного пристрою/застосунку.


Версія для майстра та важлива інформація

для майстра

Використовуйте будь-який блютуз термінал. Наприклад Serial Bluetooth Terminal на Play Market. Тут можна побачити повну картину роботи холодильника, а також робити налаштування та деякі зміни.

Прошито під датчик Whirlpool 2,7к.
Важливо!
Ця плата потребує окремого живлення постійного струму 24в. (150ма плата + вентилятор + запас)

КомандаОпис
1 .. 9 Встановлення температури в холодильній камері +1 .. +9
15 .. 25 Встановлення температури в морозильній камері -15 .. -25
80Вкл/Викл звук
51 .. 59Змінити мінимальну паузу між вмиканнями компресора від 1 до 9 хвилин
195 .. 205Виправити похибку датчика об'єму холодильної камери -5 .. +5
61 .. 69Змінити температуру випарника холодильної камери +1 .. +9, це та температура, при котрій можна вважати що випарник вже відтаяв.





6.Whirlpool Гібрід 12в

загальний вигляд


схема

Під'єднати тільки те що буде задіяно


Звукове сповіщення

• через 100 секунд, якщо не зачинили двері, через цей час також погасне світло
зачинити двері для припинення звукового сигналу

• Через 4 години подвійний звуковий сигнал кожні 15 секунд, якщо температура в морозилці не стала нижче мінус 8 градусів, або температура в холодильній камері не стала нижче +15 градусів
відчинити - зачинити двері для припинення звукового сигналу (відлік 4 годин піде спочатку)


Застосунки для телефона


Версія для клієнта

для клієнта

Можна встановити клієнту додаток керування температурою на телефон з ОС Android. Цей додаток призначений саме для клієнтів, тут немає нічого зайвого.

Важливо!
Плата холодильника може бути одночасно під'єднана тільки до одного пристрою/застосунку.


Версія для майстра та важлива інформація

для майстра

Використовуйте будь-який блютуз термінал. Наприклад Serial Bluetooth Terminal на Play Market. Тут можна побачити повну картину роботи холодильника, а також робити налаштування та деякі зміни.

Перша відтайка почнеться через 120 хвилин після досягнення +2 градусів на випарнику, наступні відтайки кожні 600 хвилин. Завершення активної фази відтайки +10, але не більше 40 хвилин.

Важливо!
Ця плата потребує окремого живлення постійного струму 12в. (100ма плата + 2 вентилятора + LED світло + запас)

Застереження!
Кнопка або геркон дверей повинен під'єднуватись до плати вільними дротами, тобто вони НЕ повинні бути під'єднані ще до чогось.

По датчикам
За замовчуванням плата йде з можливістю вибіру датчиків (один тип для всіх датчиків).
• 10k Ariston/Atlant/Beko/Whirlpool (32.18k при 0 °C)
• 10k eliwell (27.28k при 0 °C)
• 5k Samsung (13.29k при 0 °C)
• 5k Bosch/Gorenje (16.32k при 0 °C)
• 4.7k Liebherr (15.3k при 0 °C)
• 2.7k whirlpool/zanussi (8.75k при 0 °C)
• 2.2k VestFrost (6k при 0 °C)
• 2k Haier/Midea (6.49k при 0 °C)

Команда Опис
1 .. 9 Встановлення температури в холодильній камері +1 .. +9
15 .. 25 Встановлення температури в морозильній камері -15 .. -25
80 Вкл/Викл звук
30 Інвертувати кнопку/геркон дверей
51 .. 59 Змінити мінимальну паузу між вмиканнями компресора від 1 до 9 хвилин, а також це буде часом краплепадіння після відтайки
61 .. 69 Змінити температуру випарника холодильної камери +1 .. +9, це та температура, при котрій можна вважати що випарник вже відтаяв. Ця команда діє для плат з датчиком випарника ХК
105 .. 130 Змінити мінімальну паузу між вмиканням компресора по температурі 5..30 хвилин. Ця команда діє для плат без датчика випарника ХК
195 .. 205 Виправити похибку датчика об'єму холодильної камери -5 .. +5
305 .. 320 Змінити температуру закінчення відтайки +5 .. +20
73 Примусова відтайка. Почнеться при температурі на випарнику +2 градуса або нижче.
76 Скинути лічильник до відтайки. Відлік до відтайки почнеться з початку.
77 Змінити тип датчиків, якщо ця опція прописана в платі. В пам'яті є 8 стандартних датчиків, при кожній команді вибір йде по колу по списку вниз.